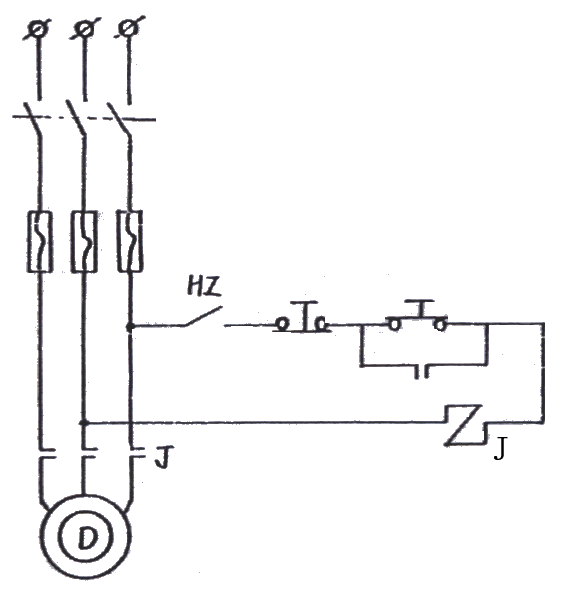
您的位置: 網站首頁 » 產品 介紹 » 制樣機系列 » 正文 EPS 1/8 破碎縮分聯合制樣機![]() EPS1/8型破碎縮分聯合制樣機是根據“煤樣的制備方法”GB474 要求,主要用于對原材料的中碎和細碎,如煤、煤矸石、焦炭、石灰石、硫鐵礦、磷礦石等其他塊狀物料的試樣制備,可連續完成篩分、破碎和縮分三道工序。。其破碎方式為曲動擠壓式,被破碎物料的抗壓強度不超過1500kg/cm2,適合制樣量比較大的試驗室使用。廣泛應用于煤炭、地質、冶金、建材、電力、化工等系統試驗室,是一種聯合制樣設備。 技術參數: 小顎破: 進料口尺寸:100×60(mm); 大顎破: 進料口尺寸:125×150(mm); 適應水分:≤11%(收到基全水分) 縮分比:1:8 縮分比:1/2,1/4,1/8 可調 電源:三相AC 380V,50HZ EPS-1/8破碎縮分聯合制樣機工作原理:該機共用機體、縮分器、破碎機器、振篩器、電機和機誡傳動等六部份組成如圖(一)。機體是一個聯合整體,振篩器起到自動給料和篩分兩項功能,小粒度料直接進入縮分器,大粒度料送入破碎機,待破碎后再送入縮分器??s分器有兩組三分器,組成兩級縮分,一級縮分有五個格槽,中間一個為取樣槽,由于給料口寬度和縮分器運動距離都等于三個格槽寬度,保證了縮分器運動到任何位置上,都包括中間格槽,而且只有三個格槽寬度縮分,達到取樣三分之一,舍棄三分之二目的,使物料在不同時間、不同部位均勻有規律地采取試樣,使所取試樣能代表全部送入機器的物料。二級縮分有三個格槽,通過二級縮分達到九分之一目的。 1,機體 2,縮分器 3,破碎機器 4,振篩機 5,電機 6,機械傳動 電器原理圖 EPS-1/8破碎縮分聯合制樣機使用方法1.整機有四個地腳絲,安裝在平穩堅固地面上。2.打開縮分器前板和護罩,擦拭各運動部件,加注適量黃油。 3.用手轉動破碎機的配重輪,觀察各運動部件是否正常,特別應觀察縮分器和篩分下料器的準線是否對應在一條直線上,否則可調節連桿的長度。 4.根據出料粒度,調節好破碎機顎板間隙。 5.將接料斗放入取樣處。 6.接好電源,試運轉,觀察各部運動情況,待一切正常后,上好護罩和縮分器前板,即可正式使用。 7.將物料放在篩子后部,開動電機,即可自動篩分、破碎、縮分。 注意:(1)、上料速度應與機器在破碎速度同步,不要一次加料太多。 (2)、接料斗裝滿后及時換斗。 (3)、根據需要還可將制取的樣品,通過機器再縮分一次,可取得八分之一的試樣。 8、制樣完畢后應將機器擦拭干凈,運動部件應注意經常注適量的潤滑油。 EPS-1/8破碎縮分聯合制樣機故障排除1、機器開動后振篩器不下料 原因:電動機反轉,將電源兩相對調即可。 2.縮分比相差太大。 原因:(1)、篩低下料口與縮分器中心不在一條直線上,應調節中心。 (2)、縮分器格槽變形,或格槽內有雜物堵塞,清除堵物,修正格槽。 (3)、一級縮分取樣格槽沒有對正二級縮分器中間格槽,應調節二級縮分器,然后固定牢。 破碎縮分聯合制樣機使用維護和注意事項: 1.為了保證機器長期良好運轉使用,對各活動機構和部位經常加油,撐板與動顎支點每十五天加油一次。各軸承內每九十天加油一次。
EPS-1/8破碎縮分聯合制樣機相關鏈接:破碎篩分制樣機常見問題及維護方法 |
![]() |
![]() |